Custom Stainless Steel Reducing Tee Welding Pipe Fittings

Shanghai Wakamatsu Metal Products Co., Ltd. Home / Products / Stainless steel BUTT-WELDING fittings / Stainless Steel Reducing Tee Welding Pipe Fittings
Description Contact Us
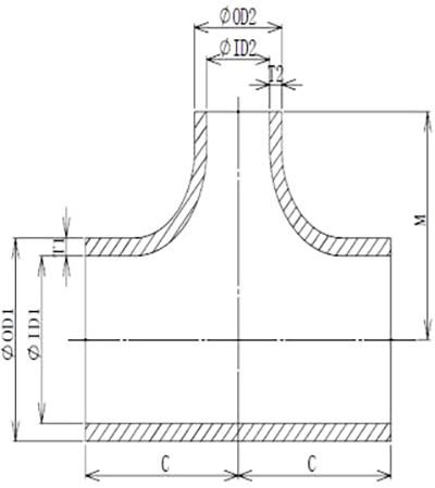
External Dimensions:

 

DN

OD

Distance between center line and end face

A

B

OD1

OD2

C

M

20X20X15

3/4X3/4X1/2

27.2

21.7

28.6

28.6

25X25X20

1X1X3/4

34.0

27.2

38.1

38.1

25X25X15

1X1X1/2

34.0

21.7

38.1

38.1

32X32X25

1"1/4X1"1/4X1

42.7

34.0

47.6

47.6

32X32X20

1"1/4X1"1/4X3/4

42.7

27.2

47.6

47.6

32X32X15

1"1/4X1"1/4X1/2

42.7

21.7

47.6

47.6

40X40X32

1"1/2X1"1/2X1"1/4

48.6

42.7

57.2

57.2

40X40X25

1"1/2X1"1/2X1

48.6

34.0

57.2

57.2

40X40X20

1"1/2X1"1/2X3/4

48.6

27.2

57.2

57.2

40X40X15

1"1/2X1"1/2X1/2

48.6

21.7

57.2

57.2

50X50X40

2X2X1"1/2

60.5

48.6

63.5

60.3

50X50X32

2X2X1"1/4

60.5

42.7

63.5

57.2

50X50X25

2X2X1

60.5

34.0

63.5

50.8

50X50X20

2X2X3/4

60.5

27.2

63.5

44.5

50X50X15

2X2X1/2

60.5

21.7

63.5

44.5

65X65X50

2"1/2X2"1/2X2

76.3

60.5

76.2

69.9

65X65X40

2"1/2X2"1/2X1"1/2

76.3

48.6

76.2

66.7

65X65X32

2"1/2X2"1/2X1"1/4

76.3

42.7

76.2

63.5

65X65X25

2"1/2X2"1/2X1

76.3

34.0

76.2

57.2

80X80X65

3X3X2"1/2

89.1

76.3

85.7

82.6

80X80X50

3X3X2

89.1

60.5

85.7

76.2

80X80X40

3X3X1"1/2

89.1

48.6

85.7

73.0

80X80X32

3X3X1"1/4

89.1

42.7

85.7

69.9

80X80X25

3X3X1

89.1

34.0

85.7

65.7

100X100X80

4X4X3

114.3

89.1

104.8

98.4

100X100X65

4X4X2"1/2

114.3

76.3

104.8

95.3

100X100X50

4X4X2

114.3

60.5

104.8

88.9

100X100X40

4X4X1"1/2

114.3

48.6

104.8

85.7

125X125X100

5X5X4

139.8

114.3

123.8

117.5

125X125X80

5X5X3

139.8

89.1

123.8

111.1

125X125X65

5X5X2"1/2

139.8

76.3

123.8

108.0

150X150X125

6X6X5

165.2

139.8

142.9

136.5

150X150X100

6X6X4

165.2

114.3

142.9

130.2

150X150X80

6X6X3

165.2

89.1

142.9

123.8

150X150X50

6X6X2

165.2

60.5

142.9

115.9

200X200X150

8X8X6

216.3

165.2

177.8

168.3

200X200X125

8X8X5

216.3

139.8

177.8

161.9

200X200X100

8X8X4

216.3

114.3

177.8

155.6

250X250X200

10X10X8

267.4

216.3

215.9

203.2

250X250X150

10X10X6

267.4

165.2

215.9

193.7

300X300X250

12X12X10

318.5

267.4

254.0

241.3

300X300X200

12X12X8

318.5

216.3

254.0

228.6

300X300X150

12X12X6

318.5

165.2

254.0

219.1

Product Description:
  • Shanghai Wakamatsu Metal Products Co., Ltd.
Stay Connected Partner With Us
  • Required fields are marked *.
    Your suggestions and questions are highly valued by us. Please fill out the form below if you have any queries concerning the goods and services offered by Wakamatsu. We will get back to you as soon as we can.

About Us
Shanghai Wakamatsu Metal Products Co., Ltd.
Founded in 2003, Shanghai Wakamatsu is a Japan-funded manufacturer specializing in stainless steel screwed fittings, valves, and bite type tube fittings.We are Custom Stainless Steel Reducing Tee Welding Pipe Fittings Manufacturers and China OEM/ODM Stainless Steel Reducing Tee Welding Pipe Fittings Factory. With over two decades of industry expertise, we combine Japanese precision manufacturing with advanced production facilities to deliver high-quality solutions for global clients. Our products are widely used in construction, industrial equipment, and safety systems, and are trusted by customers across Japan, Europe, and Southeast Asia.
Factory scenario
  • Office
  • Conference Room
  • Workshop
  • Workshop
  • Workshop
  • Workshop
  • Workshop
  • Workshop
  • Workshop
  • Storehouse
  • Pack
  • Exhibition
News