Custom Stainless Steel Equal Diameter Tee Welding Pipe Fittings

Shanghai Wakamatsu Metal Products Co., Ltd. Home / Products / Stainless steel BUTT-WELDING fittings / Stainless Steel Equal Diameter Tee Welding Pipe Fittings
Description Contact Us
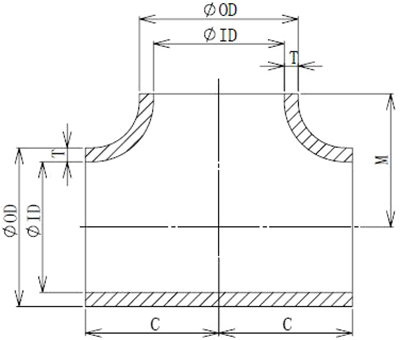
External Dimensions:

Unit:mm

DN

OD

10S

20S

40S

Distance between center line and end face

A

B

ID

T

ID

T

ID

T

C

M

15

1/2

21.7

17.5

2.1

16.7

2.5

16.1

2.8

25.4

25.4

20

3/4

27.2

23.0

2.1

22.2

2.5

21.4

2.9

28.6

28.6

25

1

34.0

28.4

2.8

28.0

3.0

27.2

3.4

38.1

38.1

32

1"1/4

42.7

37.1

2.8

36.7

3.0

35.5

3.6

47.6

47.6

40

1"1/2

48.6

43.0

2.8

42.6

3.0

41.2

3.7

57.2

57.2

50

2

60.5

54.9

2.8

53.5

3.5

52.7

3.9

63.5

63.5

65

2"1/2

76.3

70.3

3.0

69.3

3.5

65.9

5.2

76.2

76.2

80

3

89.1

83.1

3.0

81.1

4.0

78.1

5.5

85.7

85.7

90

3"1/2

101.6

95.6

3.0

93.6

4.0

90.2

5.7

95.3

95.3

100

4

114.3

108.3

3.0

106.3

4.0

102.3

6.0

104.8

104.8

125

5

139.8

133.0

3.4

129.8

5.0

126.6

6.6

123.8

123.8

150

6

165.2

158.4

3.4

155.2

5.0

151.0

7.1

142.9

142.9

200

8

216.3

208.3

4.0

203.3

6.5

199.9

8.2

177.8

177.8

250

10

267.4

259.4

4.0

254.4

6.5

248.8

9.3

215.9

215.9

300

12

318.5

309.5

4.5

305.5

6.5

297.9

10.3

254.0

254.0

350

14

355.6

345.6

5.0

339.6

8.0

333.4

11.1

279.4

279.4

400

16

406.4

396.4

5.0

390.4

8.0

381.0

12.7

304.8

304.8

450

18

457.2

447.2

5.0

441.2

8.0

428.6

14.3

342.9

342.9

500

20

508.0

497.0

5.5

489.0

9.5

477.8

15.1

381.0

381.0

600

24

609.6

596.6

6.5

590.6

9.5

574.6

17.5

431.8

431.5

Product Description:
  • Shanghai Wakamatsu Metal Products Co., Ltd.
Stay Connected Partner With Us
  • Required fields are marked *.
    Your suggestions and questions are highly valued by us. Please fill out the form below if you have any queries concerning the goods and services offered by Wakamatsu. We will get back to you as soon as we can.

About Us
Shanghai Wakamatsu Metal Products Co., Ltd.
Founded in 2003, Shanghai Wakamatsu is a Japan-funded manufacturer specializing in stainless steel screwed fittings, valves, and bite type tube fittings.We are Custom Stainless Steel Equal Diameter Tee Welding Pipe Fittings Manufacturers and China OEM/ODM Stainless Steel Equal Diameter Tee Welding Pipe Fittings Factory. With over two decades of industry expertise, we combine Japanese precision manufacturing with advanced production facilities to deliver high-quality solutions for global clients. Our products are widely used in construction, industrial equipment, and safety systems, and are trusted by customers across Japan, Europe, and Southeast Asia.
Factory scenario
  • Office
  • Conference Room
  • Workshop
  • Workshop
  • Workshop
  • Workshop
  • Workshop
  • Workshop
  • Workshop
  • Storehouse
  • Pack
  • Exhibition
News